6. 2. 2013
Nabídka regulačních zařízení
Naše nabídka regulačních zařízení obsahuje nespočet variant s ohledem na požadované parametry, pokrývá velký rozsah vstupního i výstupního tlaku a požadovaného průtoku. Regulační zařízení vyrábíme jednořadá i dvouřadá, s plynoměrem i bez plynoměru. Regulační zařízení může být umístěno v plastové skříni různých rozměrů.
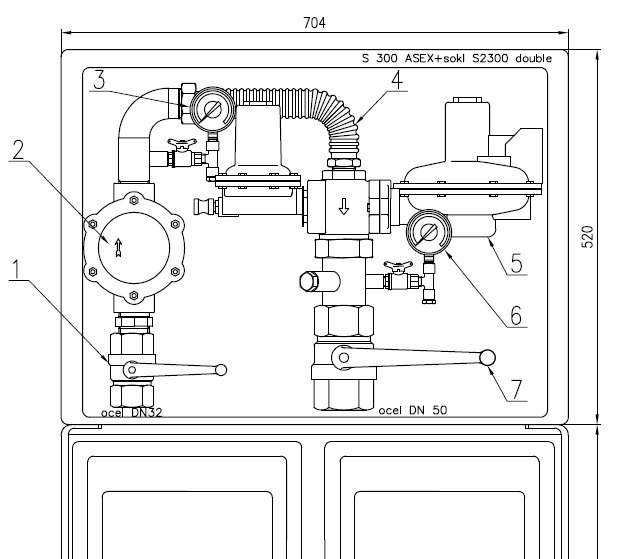
Nejžádanějším regulačním zařízením letošního roku je zatím RZ 150/1/1 – S300 ASEX CSB400. Regulační zařízení obsahuje vstupní uzávěr DN32 (1), plynový filtr FO32 (2), vstupní manometr (3), vstupní flexi potrubí (4), regulátor tlaku plynu s vestavěným bezpečnostním uzávěrem CSB řady 400 (5), výstupní manometr (6) a výstupní uzávěr DN50 (7). Regulační zařízení je umístěno ve skříňce S300 ASEX o rozměrech 500x700x250mm. Skříň může být doplněna podstavcem – soklem S2300 double.
Rozsah vstupních tlaků: 100-400kPa
Rozsah výstupního tlaku: 2-100kPa
Maximální průtok: 150m3/h


